
Mexico International Logistics, Transportation and Material Handling Exhibition
During the exhibition, we learned about the latest developments and trends of Mexican guests, and discussed with exhibitors the role that Junyi products bring to

During the exhibition, we learned about the latest developments and trends of Mexican guests, and discussed with exhibitors the role that Junyi products bring to

The customer provides local laundry services. The enterprise needs a large number of laundry turnover cages every year. The customer provides the drawings, and we

We have successfully developed four types of large metal joints for European customers, suitable for lean pipes with an outer diameter of 28MM. The new

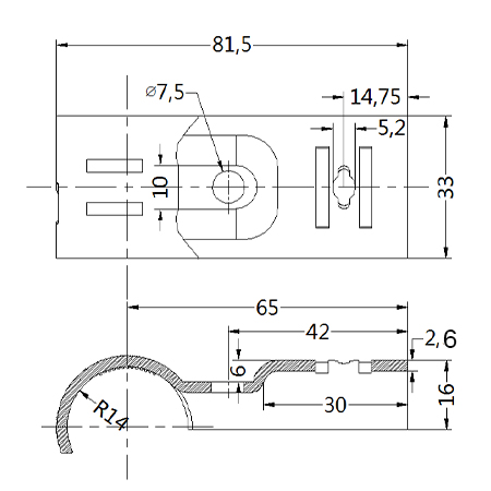
The customer is a wholesaler of local metal joints, lean pipes and other materials. We developed a 2.6mm thick metal joint for them, helping the

At the invitation of a European client, we participated in the MECSPE industrial exhibition in Italy to learn about the local application and market of

The customer is a local distributor. We customized lean pipes, slides and rubber strips with a standard length of 96 inches for the customer, which